智能光柱调节仪

 

适用范围:

与各类传感器、变送器配合使用,可对温度、压力、液位、流量、重量等工业过程参数进行测量、显示、报警控制、变送输出、数据采集及通讯。

功能特点:

输入功能
自动校准和人工校准功能
多重保护、隔离设计、抗干扰能力强、可靠性高
良好的软件平台,具备二次开发能力,以满足特殊的功能
的模块化结构,配合功能强大的仪表芯片,功能组合、系统升级非常方便

主要技术指标:

基本误差: 0.5%FS 或 0.2%FS± 1 个字
分 辨 率: 1/20000 、 14 位 A/D 转换器
显示方式:双排四位 LED 数码管和双排光柱同时显示
采样周期: 0.2S
报警输出:二限报警或四限报警,报警方式、报警灵敏度可设置,继电器输出触点容量 AC220V/3A 或 AC220V/1A
变送输出: 4 ~ 20 mA 、 0 ~ 10 mA 、 1 ~ 5V 、 0 ~ 5V
精 度: ±0.1%FS , 12 位 D/A
通讯输出:接口方式 — 隔离串行双向通讯接口 RS485/RS422/RS232/Modem
波特率 —300 ~ 9600bps 内部自由设定
馈电输出: DC24V/30mA
电 源:开关电源 85 ~ 265VAC 功耗 4W 以下

● 型号说明

型谱

说明

智能光柱调节仪

A/S

竖式 80×160×125mm

报警输出

B□

0-64 路, A 规格仪表多 32 路

变送输出

X1

4 ~ 20 mA 输出

X2

0 ~ 10 mA 输出

X3

1 ~ 5V 输出

X4

0 ~ 5V 输出

通讯输出

P

微型打印机

R

串行通讯 RS232

S

串行通讯 RS485

馈电输出

无馈电输出

V12

带 DC12V 馈电输出

V24

带 DC24V 馈电输出

供电电源

220VAC 供电

W

DC24V 供电

输入信号

Sn

见输入信号类型表


    型号举例: A0B-600A/SB2X1RV24_4_20 A0B-600 系列智能光柱调节仪, 4 ~ 20 mA 输入,外型尺寸 80×160×125mm, 二限报警控制输出, 4 ~ 20 mA 变送输出,带 RS232 隔离通讯接口,带 DC24V 馈电输出,供电电源 200VAC 。

智能光柱调节仪说明书

目录

一、 概述二、 主要技术指标 三、 型号说明 四、 操作说明 五、 报警 六、 变送输出 七、 打印功八、 通讯说明 九、 举例 十、 端子接线十一、 关于 600智能光柱调节仪的几点说明 十二、 常见故障处理

一、概述 100 智能测控仪是智能型、高精度的数显温度、压力、液位测量控制仪表,与温度、压力、液位传感器及变送器配接可构成各种量程和规格的温度、压力、液位测控系统。 100 智能测控仪的输入信号可通过内部微型继电器任意改变,输入端子只需 3 个就能满足热电偶、热电阻、 0 ~ 10 m A 或 4 ~ 20 m A 标准电流、 0 ~ 5V 、 1 ~ 5V 标准电压信号的要求。

主要特点:

◆采用当今的 ATMEL 单片微机作主机,减少了外围部件,提高了可靠性。 ◆集多种输入型号、输出方式于一机。 ◆采用 WATCHDOG 电路、软件陷阱与冗余、掉电保护、数字滤波等技术,注重现场容错能力,使整机具有很强的抗干扰能力。 ◆采用双四位 LED 数码显示,可同时显示测量值与报警点设定值。

二、主要技术指标 :

基本误差: 0 . 2 % FS ± 1 个字

分辨力: 1 、 0 . 1

显示:双四位 LED 数码管显示

输入信号:

标准电流 0 ~ 10 m A 、 4 ~ 20 m A

标准电压 0 ~ 5V , 1 ~ 5 V 热电偶 K 、 S 、 B 、 T 、 E 、 J 、 WRE 、 N

热电阻 Pt100 、 Cu50 、 Cu100 冷端补偿误差:±1℃报警输出:二限报警或四限报警,每个输出根据需要可设定为上限报警、下限报警或禁止使用,继电器输出触点容量 AC220V / 3A 或 AC220V /1 A 。变送输出: 4 ~ 20 m A (负载电阻≤ 500 Ω)、 0 ~ 10 m A (负载电阻≤ 1000 Ω) 1 ~5V、0~5V(负载电阻≥ 200K Ω) 通讯输出:接口方式——隔离串行双向通讯接口RS485/RS422/RS232/Modem

波特率—— 300 ~9600bps内部自由设 定 馈电输出: DC24V / 30 m A 温度补偿0~50冷端温度自动补偿,误差:±1 ℃ 电源:开关电源 85 ~ 265VA C 功耗: 4 W 环境温度: 0 ~ 50 ℃ 环境湿度:< 85 % R H 面板尺寸: 160mm × 80mm 、 96mm × 96mm 、 96mm × 48mm 、

72mm ×7 2mm 、 48mm × 48mm

三、型号说明

100 智能数字显示调节仪
A 横式160×80×125 mm
A/S 竖式80×160×125mm
B 方式96×96×110 mm
C 横式96×48×110 mm
C/S 竖式48×96×110 mm
D 方式72×72×110 mm
外型尺寸
F 方式48×48×110 mm
报警输出 B□ B0 无报警输出;B1-B4,1-4 点报警
X1 4-20mA 输出
X2 0-10mA 输出
X3 1-5V 输出
变送输出
X4 0-5V 输出
P 微型打印机
R 串行通讯RS232
通讯输出
S 串行通讯RS485
变送器配电电源 V12 带DC12V 馈电输出
V24 带DC24V 馈电输出
供电电源 220VAC 供电
W DC24V 供电

四、操作说明 (一)面板说明 HA-HA报警灯LA-LA报警灯OUT-输出指示灯 COM- 通讯指示灯 AT-自整定状态灯 PV-测量值显示窗 SV-设定值显示窗

(二)上电自检

⑴按仪表的端子接线图连接好仪表的电源、输入、输出、报警等接线。 ⑵仔细检查仪表的接线,正确无误后方可打开电源。 ⑶接通电源后仪表上排显示 HELO 下排显示 PASS 字样表示仪表自检通过 , 如果显示 -HH- 表示超量限或断偶及热阻开路 , 仪表采用人机对话形式来输入参数 , 用各种提示符来提示应输入的数据。

(三)按键功能

SET—在设定状态时,用于存贮参数的新设定值并选择下一个设定参数 ▲—在设定状态时,用于增加设定值▼—在设定状态时,用于减少设定值 A/M —在设定过程中,按一下返回上一次设定操作,按下不动大于 2 秒钟则退出设定状态●—手动打印键或其他特殊用途

(四)参数设定

在设定状态下 , 仪表上排显示参数提示符 , 下排显示设定值 ; 工作状态下 , 上排显示测量值( PV ) , 下排显示可根据需要设定。如果设定过程中 12秒钟不改变参数,则仪表自动返回运行。 参数设定如下 :

⑴开锁:按下 SET 键,上排显示窗出现 Loc ,下排显示窗显示 oFF ,必须按▲键把 oFF 改成 oN 后,才能修改报警点设定值,当 Loc 设定为 oFF 时,报警点设定值禁止修改,只能浏览。

⑵报警点设定: HA —第 1 报警点设定值。 LA —第 2 报警点设定值。 HHA —第 3 报警点设定值。 LLA —第 4 报警点设定值。仪表具有两限报警或四限报警输出,报警输出方式有上限报警(即高于设定值报警动作)、下限报警(即低于设定值报警动作)和禁止使用三种。报警输出方式由报警允许参数( HHAo 、 HAo 、 LAo 、 LLAo )来设定。

⑶报警点设定完毕后,按下 SET 键,上排显示 -Cd- ,下排显示 1230 ,用▲和▼键将 1230 设成 1234, 再按 SET 键才进入二级参数设置状态,输入其他值无效,这主要是为了防止现场非操作人员误修改参数。

⑷ S n—仪表输入信号 。 注:输入信号选择对照 表

参数提示符 输入信号内容 参数提示符 输入信号内容
tc ―K K 型 rtd 远传电阻 0 ― 400 Ω
tc ―S S 型 bA1 BA1
tc ―E E 型 bA2 BA2
tc ―b B 型 0 ― 50 0 ― 50mV
tc ―t T 型 0 ― 5V 0 ― 5V
tc ―n N 型 1 ― 5V 1 ― 5V
tc ―j J 型 0 ― 20 0 ― 20mA
P100 Pt100 0 ― 10 0 ― 10mA
C100 Cu100 4 ― 20 4 ― 20mA
Cu50 Cu50 ts 特殊规格

⑸ dot —小数点设定,范围 0 ~ 3 。 ⑹ inPL —线性输入下限对应显示值,即仪表量程下限,范围 -999 ~9999。 ⑺ inPH —线性输入上限对应显示值,即仪表量程上限,范围 -999 ~9999。

⑻ HAo —设定为— HH —表示高于第 1 报警点设定值时报警(上限报警),设定为— LL —表示低于

第 1 报警点设定值时报警(下限报警),设定为 OFF 时表示此点报警禁止,未使用。 ⑼ LAo —设定为— HH —表示高于第 2 报警点设定值时报警(上限报警),设定为— LL —表示低于第 2 报警点设定值时报警(下限报警),设定为 OFF 时表示此点报警禁止,未使用。

⑽ HHAo —设定为— HH —表示高于第 3 警点设定值时报警(上限报警),设定为— LL —表示低于第 3 报警点设定值时报警(下限报警),设定为 OFF 时表示此点报警禁止,未使用。 ⑾ LLAo — Ao 设定为— HH —表示高于第 4 报警点设定值时报警(上限报警),设定为— LL —表示低于第 4 报警点设定值时报警(下限报警),设定为 OFF 时表示此点报警禁止,未使用。

⑿LdbC—冷端补偿选择,设成 ON 为需要冷端补偿,设成 OFF 为不需要冷端补偿。当输入类型为热电偶时,LdbC必须设成ON。

⒀ HY-H —第 1 报警点报警回差值 ( 当 HAo 设为 OFF 时则此项关闭 ) 。 ⒁ HY-L —第 2 报警点报警回差值(当 LAo 设为 OFF 时则此项关闭)。 ⒂ HYHH —第 3 报警点报警回差值(当 HHAo 设为 OFF 时则此项关闭)。 ⒃ HYLL —第 4 报警点报警回差值(当 LLAo 设为 OFF 时则此项关闭)。 ⒄ bS —变送输出方式,可选择 1 ~5V、0~5V、 4 ~ 20mA 、 0 ~1 0mA 几种方式。 ⒅ bS-L —变送输出下限时对应的仪表量程下限。 ⒆ bS-H —变送输出上限时对应的仪表量程上限。 ⒇ oSEt —调零点校正系数范围- 99 .9~99.9,修正后显示值=修正前测量值+oSEt,出厂值 oSEt=0.0 (21) FSEt—调满度校正系数范围0.500~2.000,修正后显示值=FSEt×(修正前的测量值+oSEt),

出厂值 FSEt=1.000。

    1. Lb —数字滤波参数,设置范围为 0 ~ 20 , 0 没有任何滤波, 1 只有中间值滤波, 2 ~ 20 同时有取中间值滤波和二阶积分滤波。 Lb 越大,测量值越稳定,但响应也越慢。一般在测量值受到较大干扰时,可逐步增大 Lb 值,调整使测量值间跳动小于 2 ~ 5 个字。在实验室对仪表进行计量检定时,则应将 Lb 设置为 0 或 1 以提高响应速度
      1. Addr —通讯地址即仪表编号,范围 1 ~ 99 。
      2. bAUd —通讯的波特率,范围 300 ~2400。
  1. LdiS—仪表工作时下排显示值,显示项目为HHA、HA、LA、LLA、Addr、OFF,如果此项设为OFF,则仪表工作时下排无显示,单显示仪表选择此方式。

例:把LdiS设为Addr则仪表工作时下排显示仪表通讯地址。

五、报警

⑴当仪表进入第 1报警点报警状态时, HA 指示灯亮,且相应的继电器( HA )常开触点闭合。 ⑵当仪表进入第 2报警点报警状态时, LA 指示灯亮,且相应的继电器( LA )常开触点闭合。 ⑶当仪表进入第 3报警点报警状态时, HA 指示灯亮,同时上排测量值闪烁,且相应的继电 器 ( HHA )常开触点闭合 。 ⑷当仪表进入第 4报警点报警状态时, LA 指示灯亮,同时上排测量值闪烁,且相应的继电器(LLA)常开触点闭合。

⑸报警回差( HY-H 、 HY-L 、 HYHH 、 HYLL )

为避免测量值在报警临界点波动时报警输出频繁动作,仪表使用了报警回差参数。Ⅰ、以第 1 报警点报警为例:此报警点报警方式设为上限报警(即 HAo 设为 -HH- ),当测量值大于 HA+HY-H 时,仪表进入报警状态,当测量值下降到 HA 值时仪表并未停止报警,只有在测量值低于 HA — Hy-H 时,仪表才解除报警状态。Ⅱ、以第 2 报警点报警为例:此报警点报警方式设为下限报警(即 LAo 设为 -LL- ),当测量值下降到 LA — HY-L 时,仪表进入报警状态,当测量值上升到 LA+HY-L 时,仪表才解除报警状态。

六、变送输出

仪表可把测量值变送输出为标准信号,输出形式由“bS”参数确定,测量值变送范围由“bS-L”及“bS-H”参数确定 。

七、打印功能

仪表的打印功能由仪表内增加的打印接口板及另配的打印单元(打印机及打印电源)完成。仪表内置硬件时钟,停电不影响。 参数设置如下:

⑴ -Ht- —设定××月××日。

⑵ -Lt- —设定××时××分,这样就提供给打印机一个起始时间,到时打印机会一起打印出来(××月××日××:××)。 ⑶ -Pt- —设定仪表定时打印周期,范围 1 ~ 9999 分,设为 00 时不打印。注 1:带打印功能的仪表才有此类参数。 注 2:在仪表工作状态下,按下●键可实现即时打印。

八、通讯说明 本仪表可另配RS232、RS422/485接口,直接与计算机通讯, 数据格式为 1个起始位﹑8个数据位﹑无奇偶校验﹑ 1 个停止位﹑共 11 位。

所有数字变成ASCⅡ码传输:

举例:仪表编号 Addr=01,测量值=123.4,则数据千位为31H、百位为32H、十位为33H、小数点为2EH,个位为34H、符号位 2BH为正、2DH为负

从仪表读数据指令格式 : EOT + 仪表地址编号 + 52H+ENQ

[02h,30h,31h,2bh,31h,32h,33h,2eh,34h,83h,03h ] 说明:⑴仪表编号由仪表中“Addr”参数决定,它为 2位数字的 ASCⅡ码。 ⑵在命令及返回参数中的EOT,STX等均为一个ASCⅡ码,它们的码值为 : STX=02H;ETX=03H;ENQ=05H;EOT=04H,R表示读ASCⅡ码值=8 2 ⑶ 数据参数值为符号位+4位有效位+小数点,共 6位 。 检验码为发送前 9个字节之和 。 ⑷举例中校验码=02h+30h+31h+2bh+31h+32h+33h+2eh+34h. ⑸以上所列内容为常用的通讯方式,如果需要采用组态软件,请参见本公司的通讯协议说明。 九、举例 ①仪表配有通讯接口,用于液位控制,要求液位测量值值高于 8 米时第 1 报警点上限报警,低于 2 米时第 2 报警点下限报警,液位变送器类型为二线制 4-20 m A 输出,对应 0 ~9米,和计算机联网,仪表编号为 01 ,波特率为 2400 ,测量值无须校正 , 第 1 报警点报警回差值为 0.02 ,第 2 报警点报警回差值为 0.04, 小数点为 3 位,滤波常数出厂值设为 0 ,参数设定如下:

HA=8.000 LA=2.00 0 Sn=4-20 dot= 3 inPL=0.0 inPH=9.00 0 HHAo=OFF HAo=H H LAo=LL LLAo=OF F Hy-H=0.020 HY-L=0.04 0

oSEt=0.000 FSEt=1.00 0 L b=0 Addr=1 bAUd=240 0

②校正系数确定:仪表用 pH值测量,将 pH传感器分别插入 pH值为 4.00和 9.18的标准缓冲液中,仪

表对应的显示值分别为 4.05和 9.32,则零点和满度校正系数按下列方法确定: 4.00=FSEt(4.05+oSEt) 9.18=FSEt(9.32+oSEt)

由上式可计算出:FSEt=0.98 oSEt=0.02

十、端子接线

⑴、A规格160×80×125尺寸的仪 表 ⑵B规格96×96尺寸仪表 A/S规格80×160×125尺寸的仪表

⑶C规格96×48尺寸仪表 ⑷C/S规格48×96尺寸仪表

⑸规格 72×72尺寸仪表

⑹F规格 48×48尺寸仪表

注:⑴输入信号为热电偶、电压信号,接线方式相同

⑵输入信号为热电阻、远传电阻,必须三线制接入 ⑶特殊要求的仪表,接线方式请以随机接线图为准。

十一、关于 600智能光柱调节仪的几点说明 600智能光柱调节仪与100智能测控仪的操作及参数设定基本相同,只是由于面板上增加了双排光柱显示,所以需要做如下补充说明: ⑴600光柱表采用双四位 LED 数码管 + 双排光柱显示,可同时显示测量值与报警点设定值。⑵600光柱表在设定状态下 , 上排数码管显示参数提示符 , 下排数码管显示设定值 ; 工作状态下 , 上排

数码管显示测量值( PV ) , 下排数码管显示可根据需要设定。红色光柱显示测量值对应的百分数 , 绿色光柱显示可根据需要设定 .

⑶增加了参数提示符 HdiS HdiS—仪表工作时绿色光柱显示内容,显示项目为HHA、HA、LA、LLA、Addr、OFF,如果此项设为

OFF,则仪表工作时绿色光柱无显示,单显示仪表选择此方式。例:把 HdiS设为 LA时则仪表工作时绿色光柱显示第 2报警点设定值对应的百分数。⑷600光柱表的接线方式见 A规格160×80×125尺寸的仪表

十二、常见故障处理

故障现象 仪表通电不亮 仪表显示 -HH 测量值不正确 继电器误动作 无变送输出 通讯异常
故障原因 处理方法
电源线没接好或仪表故障 检查电源线是否松动或接错,检查电源电压是否属正常范围,与厂家或经销商联系
传感器故障 检查传感器是否有断偶、断阻或断线的情况
分度号选择错误 选择与输入信号相符的分度号
信号线连接错误 正确接入信号线,热电阻请按三线制接入
分度号选择错误 选择与输入信号相符的分度号
信号线连接错误 正确接入信号线
报警输出方式错误 参照说明书选择所需的报警方式
变送输出方式错误 参照说明书选择所需的变送输出方式
输出接线错误 请正确接线
通讯地址设置错误通讯地址波特率错误通讯口接线错误 重新设置正确的通讯地址重新设置正确的通讯波特率检查接线并正确接入

承蒙惠购本公司仪表,不胜感激。敬请事先详阅本说明书,以便于正确使用。

 

XM智能自整定 PID调节数字 /光柱显示仪表

一、主要特点

1 、 快捷方式设定目标值。

2 、 自动 / 手动无扰动切换。

3 、 传感器断线时自动输出安全阀位值。

4 、 具有多种调节输出方法。

5 、 PID 参数自整定或人工整定,参数范围宽。

6 、 可同时带测量信号 变送输出。

二、 XM 智能自整定 PID 调节数字 / 光柱仪表型谱

型 谱

说 明

XMT

智能型仪表

1

宽×高×深: (160 × 80 × 115) mm

2

(80 × 160 × 115) mm

4

(48 × 48 × 100) mm *

6

(96 × 48 × 112) mm

7

(72 × 72 × 100) mm *

8

(48 × 96 × 112) mm

9

(96 × 96 × 112) mm

A

自整定 PID 调节

GA

自整定 PID 调节 + 双光柱 *

V

调节器( 1-5 ) V 标准电压输出 ( O4)

I

调节器( 4-20 ) mA 标准电流输出 ( O4)

S

调节可控硅过零控制输出 ( O4)

W

调节 PWM 调宽电压输出( DC20V 、 20mA)( O4)

R

调节 PWM 调宽继电器输出 ( O4)

0

无输出

1

报警( O 2 ) + 报警( O 3 )

2

(4-20)mA 变送输出( O 1 ) + 报警( O 2 ) + 报警( O 3 )

3

(1-5)V 变送输出( O 1 ) + 报警( O 2 ) + 报警( O 3 )

4

通讯( O 1 ) + 报警( O 2 ) + 报警( O 3 )

5

通讯( O 1 ) +(4-20)mA 变送输出( O 2 ) + 报警( O 3 )

6

通讯( O 1 ) +(1-5)V 变送输出( O 2 ) + 报警( O 3 )

9

用户特殊要求的输出

0

输入信号类型由用户自由选择,出厂时设定在( 4-20 ) mA 输入

1

适配 K 、 B 、 J 、 E 、 T 、 S 、 R 热电偶

2

适配 Pt100 、 Cu50 热电阻

3

适配霍尔变送器 mV

4

适配远传压力表( 30-350 )Ω

6

适配 (4-20)mA 输入,量程自由设定

8

适配 (1-5)V 输入,量程自由设定

9

用户特殊要求的分度号

缺省为 AC220V 供电

D

DC24V 供电

缺省为无附加 DC24V 馈电电源输出

P

附加 DC24V 馈电电源输出

缺省为不带串行通讯接口

2

RS232 串行通讯接口

4

RS485 串行通讯接口(带隔离)

* ( 48 × 48 × 100 ) mm ( 72 × 72 × 100 ) mm 规格,订货时请向厂家咨询。

* 报警( 02 ),报警( 03 )用户可自行组态为上限报警或下限报警。

* 双光柱的仪表仅有两种外形尺寸:( 160 × 80 × 115 ) mm ( 80 × 160 × 115 ) mm 。

* 特殊要求请厂家联系。

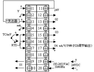
三、 XM 智能自整定 PID 调节数字 / 光柱显示仪表接线图
1 、输入接线图 - ( 160 × 80 × 115 ) mm 、( 80 × 160 × 115 ) mm 、( 96 × 96 × 112 ) mm 、( 96 × 48 × 112 ) mm 、( 48 × 96 × 112 ) mm

2 、输入接线图—( 160 × 80 × 115 ) mm 、( 80 × 160 × 115 ) mm 、( 96 × 96 × 112 ) mm 、( 96 × 48 × 112 ) mm 、( 48 × 96 × 112 ) mm

3 、( 72 × 72 × 100 ) mm 、( 48 × 48 × 100 ) mm 的仪表输入 / 输出接线图

适配 (1-5)V 输入,量程自由设定

* ( 48 × 48 × 100 ) mm ( 72 × 72 × 100 ) mm 规格,订货时请向厂家咨询。

* 报警( 02 ),报警( 03 )用户可自行组态为上限报警或下限报警。

* 双光柱的仪表仅有两种外形尺寸:( 160 × 80 × 115 ) mm ( 80 × 160 × 115 ) mm 。

* 特殊要求请厂家联系。

三、 XM 智能自整定 PID 调节数字 / 光柱显示仪表接线图
1 、输入接线图 - ( 160 × 80 × 115 ) mm 、( 80 × 160 × 115 ) mm 、( 96 × 96 × 112 ) mm 、( 96 × 48 × 112 ) mm 、( 48 × 96 × 112 ) mm

智能光柱调节仪

2 、输入接线图—( 160 × 80 × 115 ) mm 、( 80 × 160 × 115 ) mm 、( 96 × 96 × 112 ) mm 、( 96 × 48 × 112 ) mm 、( 48 × 96 × 112 ) mm

智能光柱调节仪

3 、( 72 × 72 × 100 ) mm 、( 48 × 48 × 100 ) mm 的仪表输入 / 输出接线图

智能光柱调节仪

智能光柱调节仪