XM智能变送控制数字/光柱显示仪表
![]()
![]()

一、主要特点
1 、 具有控制仪表的所有特点。
2 、 可由面板光柱显示变送的比例值。
3 、 ( 4-20 ) mA 或( 1-5 ) V 变送输出。
二、 XM 智能变送控制数字 / 光柱显示仪表型谱
型谱 |
说明 |
||||||||
XMT |
智能型仪表 |
||||||||
1 |
宽×高×深:( 160 × 80 × 115 ) mm |
||||||||
2 |
(80 × 160 × 115)mm |
||||||||
4 |
(48 × 48 × 100)mm * |
||||||||
6 |
(96 × 48 × 112)mm |
||||||||
7 |
(72 × 72 × 100)mm * |
||||||||
8 |
(48 × 96 × 112)mm |
||||||||
9 |
(96 × 96 × 112)mm |
||||||||
B |
变送控制 + 位式控制 |
||||||||
GB |
变送控制 + 位式控制 + 单光柱 * |
||||||||
0 |
报警( 02 ) + 报警( 03 ) + ( 4-20 ) mA 变送输出( 04 ) |
||||||||
1 |
报警( 02 ) + 报警( 03 ) + ( 1-5 ) V 变送输出( 04 ) |
||||||||
2 |
上限报警( 01 ) + 报警( 02 ) + 报警( 03 ) + ( 4-20 ) mA 变送输出( 04 ) |
||||||||
3 |
上限报警( 01 ) + 报警( 02 ) + 报警( 03 ) + ( 1-5 ) V 变送输出( 04 ) |
||||||||
4 |
通讯( 01 ) + 报警( 02 ) + 报警( 03 ) + ( 4-20 ) mA 变送输出( 04 ) |
||||||||
5 |
通讯( 01 ) + 报警( 02 ) + 报警( 03 ) + ( 1-5 ) V 变送输出( 04 ) |
||||||||
9 |
用户特殊要求的输出 |
||||||||
0 |
输入信号类型由用户自由选择,出厂时设定在( 4-20 ) mA 输入 |
||||||||
1 |
适配 K B J E T R S 热电阻 |
||||||||
2 |
适配 Pt100,Cu50 热电阻 |
||||||||
3 |
适配霍尔变送器 mV |
||||||||
4 |
适配远传压力表( 30-350 )Ω |
||||||||
6 |
适配( 4-20 ) mA 输入,量程自由设定 |
||||||||
8 |
适配( 1-5 ) V 输入,量程自由设定 |
||||||||
9 |
用户特殊要求的分度号 |
||||||||
缺省为 AC220V 供电 |
|||||||||
D |
DC24V 供电 |
||||||||
缺省为无附加 DC24V 馈电电源输出 |
|||||||||
P |
附加 DC24V 馈电电源输出 |
||||||||
缺省为不带串行通讯接口 |
|||||||||
2 |
RS232 串行通讯接口 |
||||||||
4 |
RS485 串行通讯接口(带隔离) |
||||||||
* ( 48 × 48 × 100mm ( 72 × 72 × 100 ) mm 规格,订货时请厂家咨询。
* 报警( O2 ),报警( O3 )用户可自行组态为上限报警或下限报警。
* 光柱的仪表仅有两种外型尺寸:( 160 × 80 × 115 ) mm ( 80 × 160 × 115 ) mm 。
* 特殊要求请与厂家了联系。
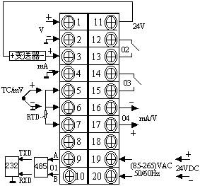
三、 XM 智能变送控制数字 / 光柱显示仪表接线图

160 × 80 × 115 ) mm ( 80 × 160 × 115 ) mm
( 96 × 96 × 112 ) mm ( 96 × 48 × 112 ) mm ( 48 × 96 × 112 ) mm

